

座机:0771-5791162
邮箱:2604045678@qq.com
微信号:13667715899
生产基地:广西南宁市高新区科创路10号2#车间1楼1-1
浙江销售中心:浙江绍兴l中国纺织五金机电城
江苏销售中心:江苏省泰兴市黄桥镇(13809016333 汪路)

根据前期市场反馈,玉柴集团拟从2022年4月1日起对玉柴YC12VTD系列发电机单机空滤总成及整车线束进行更换优化,以进一步提升产品品质及竞争力,具体如下:
1、空滤总成及整车线束变更涉及机型:
序号 | 产品型号 | 序号 | 产品型号 |
1 | YC12VTD2000-D30 | 6 | YC12VTD2070-D32 |
2 | YC12VTD1830-D30 | 7 | YC12VTD1860-D32 |
3 | YC12VTD1680-D30 | 8 | YC12VTD1680-D32 |
4 | YC12VTD1500-D30 | 9 | YC12VTD1500-D32 |
5 | YC12VTD1350-D30 | 10 | YC12VTD1350-D32 |
2、空滤总成:
将原标配为钢丝网+纸滤芯整体结构的TDV100-1109100/空气滤清器更换为金属外壳+内置纸滤芯+空滤帽结构的TD800-1109100/空气滤清器+TD800-1109151/空滤帽,其前后状态对比如下:
变更前,发动机(TDV100-1109100/空气滤清器)实物状态与图纸如下:

变更后,发动机(TD800-1109100/空气滤清器+TD800-1109151/空滤帽)实物状态与图纸如下:

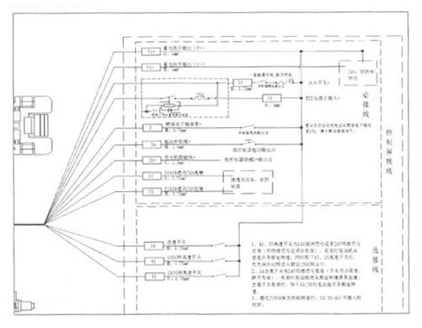
3、整车线束:
接线端减少非必要的线束、同时增加ECU主电源控制继电器及保险,其前后状态对比如下:变更前,整车线束接线原理图:

变更后,整车线束接线原理图:

切换期间,会存在新旧状态共存的情况。
如需了解更多相关详情欢迎关注下方微信二维码↓↓↓

扫一扫 关注微信